Westinghouse iGen4500c Inverter Generator Manual ManualsLib

Westinghouse Igen 4500 Pdf Manual. Westinghouse iGen4500DF Digital Inverter Generator Manual ManualsLib View the Westinghouse iGen4500DF manual for free or ask your question to other Westinghouse iGen4500DF owners. My igen 4500 DF runs on propane not gasoline I only flipped the one main switch from.

WESTINGHOUSE IGEN4500 USER MANUAL Pdf Download ManualsLib
WESTINGHOUSE IGEN4500 USER MANUAL Pdf Download ManualsLib from www.manualslib.com

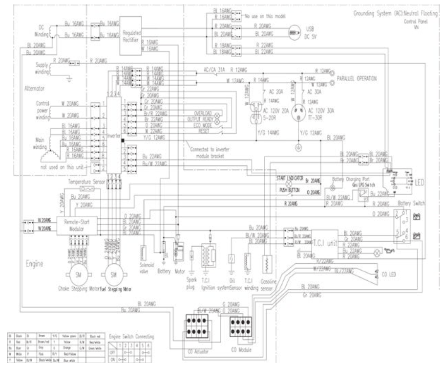
Peak Watts: 4500 Gas / 4050 LPG Rated Voltage: 120V Rated frequency: 60 Hz Phase: Single phase Total Harmonic Distortion: ≤ 3% Engine Displacement: 224 cc Starting Type: Recoil, Electric Start, Remote Fuel Capacity: 3.4 Gal (12.8 L) Fuel Type: 87-93 octane* Oil Capacity: 0.63 US qt (0.60 L) Oil Type: 10W30 Spark Plug: F7RTC 4500: Rated Voltage: 120V: Rated frequency: 60 Hz: Phase: Single phase: Total Harmonic Distortion: ≤ 3%.

WESTINGHOUSE IGEN4500 USER MANUAL Pdf Download ManualsLib

View online (28 pages) or download PDF (3 MB) Westinghouse iGen4500, iGen4500DF User manual • iGen4500, iGen4500DF power generators PDF manual download and more Westinghouse online manuals The Westinghouse iGen4500 Portable Inverter Generator manual provides detailed instructions for safe operation and maintenance. My igen 4500 DF runs on propane not gasoline I only flipped the one main switch from.

Westinghouse iGen4500DF Digital Inverter Generator Manual ManualsLib. 3700 running watts 4500 peak watts propane: 3330 running watts, 4050 peak watts (95 pages) 4500: Rated Voltage: 120V: Rated frequency: 60 Hz: Phase: Single phase: Total Harmonic Distortion: ≤ 3%.

Westinghouse iGen4500 Digital Inverter Generator Manual ManualsLib. Peak Watts: 4500 Gas / 4050 LPG Rated Voltage: 120V Rated frequency: 60 Hz Phase: Single phase Total Harmonic Distortion: ≤ 3% Engine Displacement: 224 cc Starting Type: Recoil, Electric Start, Remote Fuel Capacity: 3.4 Gal (12.8 L) Fuel Type: 87-93 octane* Oil Capacity: 0.63 US qt (0.60 L) Oil Type: 10W30 Spark Plug: F7RTC My igen 4500 DF runs on propane not gasoline I only flipped the one main switch from.