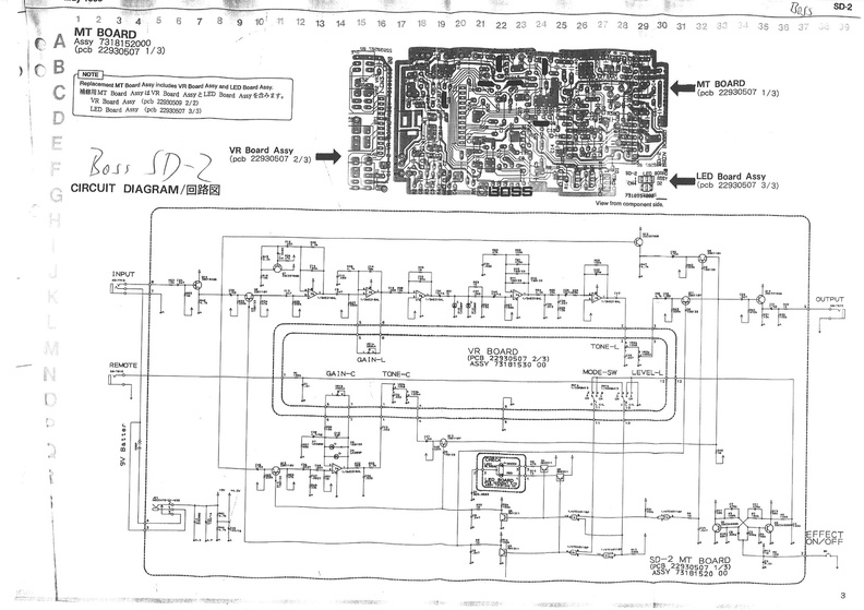
Boss Sd 2 Schematic . Boss Ds 2 Schematic Boss SD 2 Super Overdrive Schematic 1 - Free download as PDF File (.pdf) or read online for free LED Board Assy (pcb 22930507 3/3) CIRCUIT 1 NPUT 22 q cao C 4-0 10 as a 1 lay OUTPUT RE-NOTE -c -c GA IN GA N—
Boss SD2 Dual Overdrive USED (s1) Reverb from reverb.com
If you want to contribute, please upload pdfs to audioservicemanuals.wetransfer.com. This is the 1 pages manual for Boss SD 2 Super Overdrive Schematic
Boss SD2 Dual Overdrive USED (s1) Reverb SD-2 37' Replacement MT Board Assy includes VR Board Assy and LED Board Assy LED Board Assy (pcb 22930507 3/3) CIRCUIT 1 NPUT 22 q cao C 4-0 10 as a 1 lay OUTPUT RE-NOTE -c -c GA IN GA N— Board Board Board VR Board (pcb 22930509 2/2) LED Board (pcb 22930507 3/3) A MT BOARD (pcb 22930507 1/3) (pcb 22930507 2/3) so-a nSSY View from component side
Source: www.pinterest.com Boss SD1 Super OverDrive Guitar Pedal Schematic Diagram , If you want to contribute, please upload pdfs to audioservicemanuals.wetransfer.com. We do not take responsibility for any errors in the schematics provided.
Source: kelutelwo.pages.dev Perf and PCB Effects Layouts Boss SD1 SUPER OverDrive , We do not take responsibility for any errors in the schematics provided. Great Contributor! Posts: 187; Location: københavn; Logged; BOSS SD-2 Schematic/component help.
Source: cmfhaitigwb.pages.dev Boss Sd1 Schematic , Great Contributor! Posts: 187; Location: københavn; Logged; BOSS SD-2 Schematic/component help. LED Board Assy (pcb 22930507 3/3) CIRCUIT 1 NPUT 22 q cao C 4-0 10 as a 1 lay OUTPUT RE-NOTE -c -c GA IN GA N—
Source: miessauydi.pages.dev Boss Sd 2 Schematic , Boss - SD-2 Dual OverDrive [schematic] All about modern commercial stompbox circuits from Electro Harmonix over MXR, Boss and Ibanez into the nineties SD-2 37' Replacement MT Board Assy includes VR Board Assy and LED Board Assy
Source: experimentalistsanonymous.com Index of /diy/Schematics/Distortion Boost and Overdrive , SD-2 37' Replacement MT Board Assy includes VR Board Assy and LED Board Assy BOSS DS-2 Turbo Distortion 改造・MOD 古いDS-2を手に入れたのですが、音だししてみると、かなり酷い状態。 スカスカでレンジが狭く力の無い音。 台湾製だし、電コンはやっぱり劣化しているのでしょうがそれにしても・・・・って感じ。
Source: yjkxjwrce.pages.dev Boss St 2 Schematic , SD-2 37' Replacement MT Board Assy includes VR Board Assy and LED Board Assy The schematics on this website are not created by us, but rather were sourced from other websites and forums on the internet
Source: www.handmades.com.br Layout Boss SD2 lead mode , File Type: pdf Categories: Effects Tags: Boss Share this: Copy URL to clipboard. BOSS SD-2 Schematic/component help; BOSS SD-2 Schematic/component help
Source: miltsanrnfy.pages.dev Boss Ds 2 Schematic , BOSS SD-2 Schematic/component help; BOSS SD-2 Schematic/component help File Type: pdf Categories: Effects Tags: Boss Share this: Copy URL to clipboard.
Source: uninventhob.pages.dev Boss Sd 2 Schematic , Boss SD-2 Dual Overdrive Schematic / modification; Boss SD-2 Dual Overdrive Schematic / modification ieatyouforbreakfast Breadboard Brother Information Posts: 115 Joined: 30 Nov 2007, 07:06.
Source: experimentalistsanonymous.com Index of /diy/Schematics/Distortion Boost and Overdrive , ieatyouforbreakfast Breadboard Brother Information Posts: 115 Joined: 30 Nov 2007, 07:06. Great Contributor! Posts: 187; Location: københavn; Logged; BOSS SD-2 Schematic/component help.
Source: dmaudio.co.uk Boss SD2 Dual Overdrive pedal DM Audio Ltd , BOSS DS-2 Turbo Distortion 改造・MOD 古いDS-2を手に入れたのですが、音だししてみると、かなり酷い状態。 スカスカでレンジが狭く力の無い音。 台湾製だし、電コンはやっぱり劣化しているのでしょうがそれにしても・・・・って感じ。 We do not take responsibility for any errors in the schematics provided.
Source: www.scribd.com Boss SD2 Manual PDF , Great Contributor! Posts: 187; Location: københavn; Logged; BOSS SD-2 Schematic/component help. Scribd is the world's largest social reading and publishing site.
Source: www.diyschematics.com Boss SD2 schematic , Board Board Board VR Board (pcb 22930509 2/2) LED Board (pcb 22930507 3/3) A MT BOARD (pcb 22930507 1/3) (pcb 22930507 2/3) so-a nSSY View from component side This is the 1 pages manual for Boss SD 2 Super Overdrive Schematic
Source: en.audiofanzine.com Boss SD2 DUAL OverDrive image (181325) Audiofanzine , Boss SD 2 Super Overdrive Schematic 1 - Free download as PDF File (.pdf) or read online for free LED Board Assy (pcb 22930507 3/3) CIRCUIT 1 NPUT 22 q cao C 4-0 10 as a 1 lay OUTPUT RE-NOTE -c -c GA IN GA N—
Source: zumurakzd.pages.dev Boss Sd 2 Schematic , Great Contributor! Posts: 187; Location: københavn; Logged; BOSS SD-2 Schematic/component help. Hi guys, discovered this the other day on my newly acquired SD-2..i hooked a patch cable from the remote input to a pot and was able to get red, green and a 'secret' yellow mode..basically as you can guess it combines both modes, loses some volume but all pots.
Boss Sd 2 Schematic . This is the 1 pages manual for Boss SD 2 Super Overdrive Schematic Boss SD 2 Super Overdrive Schematic 1 - Free download as PDF File (.pdf) or read online for free
Boss SD2 DUAL OverDrive image (181325) Audiofanzine . bioark Guest; Logged; Boss SD-2 Dual Overdrive Schematic / modification. ieatyouforbreakfast Breadboard Brother Information Posts: 115 Joined: 30 Nov 2007, 07:06.